ФЛАНЕЦ ВОРОТНИКОВЫЙ (УСТЬЕВОЙ)
Фланцевые соединения устьевого оборудования (фланцы воротниковые) предназначены для соединения со стальными кольцевыми прокладками составных частей устьевого нефтепромыслового оборудования, рассчитанного на рабочее давление от 14 до 140 МПа и условным проходом от 50 до 680 мм.
ГОСТом 28919 предусматривается два типа фланцевых соединений:
- с зазором между торцами фланцев;
- без зазора между торцами фланцев.
Для каждого типа фланцевого соединения предусматривается по два варианта соединения: фланец с фланцем и фланец с корпусом (т.е. соединение фланца с фланцем, совмещенным с корпусом).
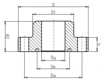
Фланец воротниковый(устьевой) имеет стальную кольцевую прокладку восьмиугольного сечения.
С номенклатурой флацевых соединений устьевого оборудования, производимых ООО "НПП Обуховская промышленная компания" можно ознакомится в Таблице 1.
Таблица 1.
Технические характеристики воротникового фланца |
||||||||
|
Параметр |
Рр, МПа |
Dу, мм |
D, мм |
Dш, мм |
Dк, мм |
Do, мм |
h, мм |
ГОСТ/РД |
|
Рабочее давление |
14 |
65 |
195 |
160 |
92 |
22 |
27 |
РД 26-16-40-89 |
|
65 |
195 |
149 |
101,6 |
22 |
37 |
ГОСТ 28919-91 |
||
|
21 |
65 |
195 |
160 |
90 |
22 |
40 |
РД 26-16-40-89 |
|
|
65 |
245 |
190,5 |
107,9 |
28 |
50 |
ГОСТ 28919-91 |
||
|
80 |
242 |
190,5 |
123,8 |
25 |
46 |
ГОСТ 28919-91 |
||
|
100 |
292 |
235 |
149,2 |
32 |
53 |
ГОСТ 28919-91 |
||
|
35 |
65 |
195 |
160 |
90 |
22 |
56 |
РД 26-16-40-89 |
|
ООО «Научно-производственное предприятие Обуховская промышленная компания» специализируется на производстве широкого спектра нефтепромыслового оборудования. Многие годы мы поставляем высококачественную фонтанную арматуру ведущим российским и зарубежным компаниям. Фланцевые соединения устьевого оборудования нашего производства пользуются постоянным спросом у нефтяных и газовых компаний.
Звоните по телефонам:
+7 926 074 06 56, +7 (831) 295-50-58, +7 (831) 293-41-30,
Направляйте заявки по почте:




